Skip to content

XE210B Hydraulic Excavator Parts Catalog T

1 800104261 垫片 Washer
2 805238387 螺母 M8 Nut
3 805046457 螺栓 M8×35 Bolt
4 805338277 垫圈 8 Washer
5 310802517 U 型螺栓 U-Bolt
6 800105417 消音器 Muffler
7 805238372 螺母 M12 Nut
8 805338281 垫圈 12 Washer
9 801905666 喉箍 Clamp
10 310702373 消声器支架 Muffler Bracket
11 800104241 管 Pipe
12 805338268 垫圈 10 Washer
13 805046528 螺栓 M10×35 Bolt
14 310800176 石棉垫 Washer
15 819908622 消声器接管 Exhaust Hose

1 803007334 散热器 Radiator
2 310600575 橡胶垫 Rubber Washer
3 800105276 扣钉 Plastic Bolt
4 801905472 密封条 L=1400 Seal Strip
5 801905471 密封条 L=130 Seal Strip
6 805238370 螺母 M6 Nut
7 805338275 垫圈 6 Washer
8 310600571 卡箍 Clamp
9 310600572 橡胶圈 Rubber ring
10 805338258 垫圈 6 Washer
11 805046500 螺栓 M6×70 Bolt
12 801905473 密封条 L=70 Seal Strip

1 310702274 油箱体 Tank Body
2 800138184 滤网 Filter
3 800138183 锁盖 Box Cover
4 310500033 防滑纸 Anti-Skid Tape
5 805046509 螺栓 M8×25 Bolt
6 805338277 垫圈 8 Washer
7 310601193 护板 Plate
8 805300024 垫圈 14 Washer
9 800148039 空心螺栓 Bolt
10 801102871 O 形圈 O-Ring
11 310701423 法兰端盖 Flange Cover
12 805300044 垫圈 18 Washer
13 801102901 球阀 DN15(3/8) Valve
14 310600640 接头 Adapter
15 801102902 球阀 DN15(1/2) Valve
16 805300032 垫圈 22 Washer
17 805011330 螺栓 M10×25 Bolt
18 805338279 垫圈 10 Washer
19 805006332 螺栓 M16×40 Bolt
20 805338285 垫圈 16 Washer
21 310601207 调整垫 Washer
22 803172789 堵头 Plug

1 310601688 法兰接头 Flange Joint
2 803182790 软管总成 Hose
3 803182791 软管总成 Hose
4 310702448 阀架 Bracket
5 805006332 螺栓 M16×40 Bolt
6 805338261 垫圈 12 Washer
7 805338281 垫圈 12 Washer
8 803303447 O 形圈 O-Ring
9 310601691 钢管 Pipe
10 310601696 钢管 Pipe
11 310600538 管夹 Clamp
12 805046642 螺栓 M12×65 Bolt
13 805046640 螺栓 M12×60 Bolt
14 805338296 垫圈 16 Washer
15 310600541 弯板 Clamp
16 805006412 螺栓 M12×30 Bolt
17 803172141 软管总成 Hose
18 310601689 法兰接头 Flange Joint
19 801938269 胶条 Latex

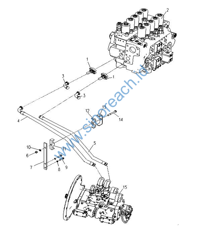
1 803104951 法兰 Flange
2 803074937 主阀 Multiway Valve
3 803110159 接头 Joint
4 803391827 软管总成 Hose
5 803382049 软管总成 Hose
6 805238372 螺母 M12 Nut
7 310700659 板 Plate
8 805338260 垫圈 10 Washer
9 805011330 螺栓 M10×25 Bolt
10 805338261 垫圈 12 Washer
11 310600550 下管夹 Clamp
12 310600549 上管夹 Clamp
13 310600548 压板 Pressing Plate
14 805046648 螺栓 M12×90 Bolt
15 803074936 主泵 Hydraulic Pump