
1 803506299 冷媒管 Hose Assy
2 803506300 冷媒管 Hose Assy
3 803545896 冷媒管 Hose Assy
4 803172883 输水胶管 Hose
5 819909116 AH100216B 空调控制面板 Unit Air-Condition

1 803177687 暖水箱 Warming Box
2 803704434 水阀总成 Valve Assembly
3 803543434 蒸发器芯体总成 Evaporator Assembly
3-1 803704427 膨胀阀 Expansion valve
3-2 803504601 蒸发器芯体 Evaporator
4 803543435 温度传感器 Temperature Sense
5 803543436 线束 Wiring Harness
6 803704429 热水箱驱动器 Drivers
7 803704428 进风驱动器 Drivers
8 803608681 继电器 Relay
9 803543437 新风过滤器 Filter
10 803704435 回风过滤网 Filter
11 803704433 调速电阻 Resistance
12 803704432 风机&电机总成 Electric Machine
13 803704431 上出风驱动器 Drivers
14 803704430 除霜驱动器 Drivers
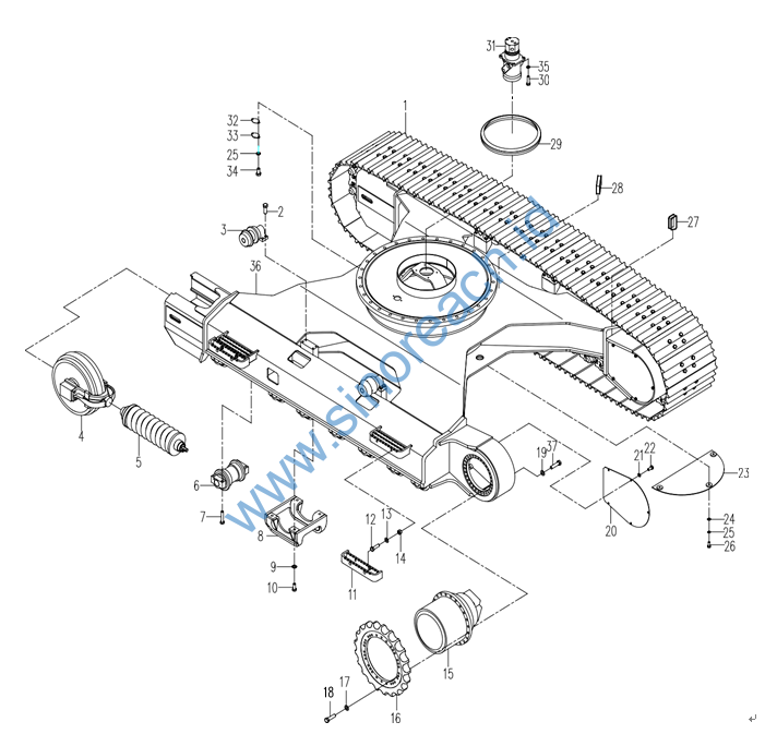
800306907 履带总成 2 # 1407 链轨有”BERCO”字
800305451 涨紧装置 2 1309 Y 800308239 2 涨紧力增大
800305389 涨紧装置 2 1309 Y 800308239 2 涨紧力增大
310800222 夹轨器 2 1305 Y 310803355 2 增加四处加强筋
310701495 外接脚踏 4 1301 P 310702194 4 宽度 377 改为 432
805338261 垫圈 12 10 1308 Y 805338281 10 弹垫改为平垫
310701325 底盘总成 1 1404 Y 310701325 1 黄油盘非焊接件
805004814 螺栓M16×55 60 # 1501 805004815 60
805004814 螺栓M16×55 60 # 1501 805004815 60

800309550 履带总成600mmCrawler 2
800347141 履带总成700mmCrawler 2
800347142 履带总成800mmCrawler 2
800305429 履带总成600mmCrawler 2
800305426 履带总成700mmCrawler 2
800305425 履带总成800mmCrawler 2
800347010 履带总成600mmCrawler 2
800355302 履带总成700mmCrawler 2
800355303 履带总成800mmCrawler 2
800305448 履带总成600mmCrawler 2
800305449 履带总成700mmCrawler 2
800305450 履带总成800mmCrawler 2
800306907 履带总成600mmCrawler 2
805006280
螺栓M16×45 Bolt
16
800341140 托链轮Upper Roller 4
800305385 托链轮Upper Roller 4
800305439 托链轮Upper Roller 4

4-1 800341138 引导轮Guide Wheel
4-2 800305386 引导轮Guide Wheel
4-3 800305436 引导轮Guide Wheel
*5
800308239
涨紧装置Track Tensioner
6-1 800341137 支重轮Lower Roller
6-2 800305387 支重轮Lower Roller
6-3 800305437 支重轮Lower Roller
7 805006281 螺栓M18×90 Bolt
*8 310803355 夹轨器Guard
9 805338287 垫圈18 Washer
10 805006334 螺栓 M18×45 Bolt
*11 310702194 外接脚踏Pedal
12 805046568 螺栓 M14×50 Bolt
13 805338283 垫圈 14 Washer
14 805238504 螺母 M14 Nut
15-1 803070659 行走马达Travel Motor
15-2 803007289 行走马达Travel Motor
16-1 800341139 驱动轮Drive Gear
16-2 800305388 驱动轮Drive Gear
16-3 800305438 驱动轮Drive Gear
17-1
805338296
垫圈 16 Washer

17-2 805338285 垫圈 16 Washer
18-1 805004815 螺栓 M16×60 Bolt
*18-2 805004815 螺栓 M16×55 Bolt
19 805338285 垫圈 16 Washer
20 310800224 盖板 Cover
*21 805338281 垫圈 12 Washer
22 805046469 螺栓 M12×25 Bolt
23 310800223 底盖 Cover
24 805338279 垫圈 10 Washer
25 805338260 垫圈 10 Washer
26 805011330 螺栓 M10×25 Bolt
27 310802043 橡胶护套 Jacket
28 310800228 橡胶护套 Jacket
29 310701324 密封条Sealing Strips
30 805006413 螺栓 M12×35 Bolt
31 800305381 中心回转体CenterSwivelJoint
32 310800229 橡胶垫 Rubber Mat
33 310800226 盖板 Cover
34 805046525 螺栓 M10×20 Bolt
垫圈 12 Washer
35 805338261
36 310701323 车架 Frame
37 805004815 螺栓 M16×60 Bolt