
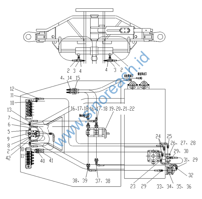
1
803010961
双向液压锁 BIDIRECTIONAL HYDRAULIC
LOCKING VALVE
2 805000021 螺栓 M8×50 BOLT M8×50
3 805300010 GB/T93 垫圈 8 WASHER
4 380900731 前轮倾斜油缸 FRONT WHEEL TILT CYLINDER
5 803172004 直通接头 JOINT
6 803191165 胶管总成 HOSE ASS’Y
7 380600610 接头 NIPPLE
8 803190403 管夹 CLIP
9 805000525 螺栓 M6×20 BOLT
10 805200053 螺母 M6 NUT M6
11 860100842 直角组合接头 RIGHT ANGLE UNION JOINT
12 803191347 胶管总成 HOSE ASS’Y
13 803079214 铲刀摆动油缸 BLADE TILT CYLINDER
14 803079212 右铲刀升降油缸 RIGHT BLADE HOIST CYLINDER
15 803192105 油口保护堵 OIL PLUG
16 803011164 阀组 VALVE GROUP
17 805300069 垫圈 8 WASHER
18 803172006 直通接头 JOINT
19 803191104 胶管总成 HOSE ASS’Y
20 803190517 直通接头 NIPPLE
21
803191525
胶管总成
HOSE ASS’Y
22 803082905 多路换向阀(右) VALVE
23 803601023 直通接头 JOINT
24 803191341 油堵 PLUG
25
380900707
右铰接转向油缸 RIGHT ARTICULATED STEERING
CYLINDER
26 803191105 胶管总成 HOSE ASS’Y
27 803191529 胶管总成 HOSE ASS’Y
28 803191530 铰接式组合接头 ARTICULATED UNION JOINT
29 803191811 铰接式组合接头 ARTICULATED UNION JOINT
30 803191075 胶管总成 HOSE ASS’Y
31 803082904 多路换向阀(左) VALVE
32
380900709
左铰接转向油缸 LEFT ARTICULATED STEERING
CYLINDER
33 803192153 油口堵塞 PLUG
34 803079213 左铲刀升降油缸 LEFT BLADE HOIST CYLINDER
35 380900705 铲土角变换油缸 BLADE ANGLE CHANGE CYLINDER
36 860100839 铰接式组合接头 ARTICULATED UNION JOINT
37 803190993 胶管总成 HOSE ASS’Y
38 803190994 胶管总成 HOSE ASS’Y
39 803192040 胶管总成 HOSE ASS’Y
40 380900730 铲刀引出油缸 BLADE OUTSTANDING CYLINDER
41 381400210 板 PLATE
42
803192039
胶管总成
HOSE ASS’Y
43
803192038
胶管总成
HOSE ASS’Y
44
380300747
回转接头
ROTARY JOINT
45
805000715
螺栓 M12X25
BOLT
46
805300018
垫圈 12
WASHER 12
47
803192037
胶管总成
HOSE ASS’Y
48
380900706
左铲土角变换油缸 LEFT BLADE ANGLE CHANGE
CYLINDER
49
803192036
胶管总成
HOSE ASS’Y
50
803082914
摆线马达
CYCLOIDAL MOTOR
51
803192071
O 形密封 69X3.55
O SEAL RING
52
805000679
螺栓 M10X35
BOLT
53
805300014
垫圈 10
WASHER 10
52 805100100 螺钉 M10×35 SCREW
53 805300014 垫圈 10 WASHER
54 803011165 提升阀组 LIFT VALVES

1
380900708
前轮转向油缸 FRONT WHEEL STEERING
CYLINDER
2
803190517
直通接头
NIPPLE
3
803190777
三通组合接头
TRIPLE UNION JOINT
4
803190781
测压接头
PRESSURE MEASURE JOINT
5
803172004
直通接头
JOINT
6
803191109
胶管总成
HOSE ASS’Y
7
803190768
直通接头
JOINT
8
803011053
转向器
REDIRECTOR
9
803010963
优先阀
PRIORITY VALVE
10
803172003
直通接头
JOINT
11 803172023 端直通接头 STRAIGHT ADVANCING JOINT
12 803191798 胶管总成 HOSE ASS’Y
13 803192035 胶管总成 HOSE ASS’Y
14 803173426 过壁接头 JOINT
15 803191856 测压线 PRESSURE MEASURE LINE
16 803191415 变径接头 JOINT
17
803191083
直通法兰组合接头 STRAIGHT ADVANCING FLANGE
UNION JOINT
18 860100843 三通组合接头 TRIPLE UNION JOINT
19 803045341 双联齿轮泵 DUPLICATE GEAR PUMP
20 380300729 纸垫 WASHER
21
805000103
螺栓 M14X35
BLOT
22
805300033
垫圈 14
WASHER
23 803191003 直通接头 JOINT
24 803190778 直通接头 JOINT
25 803172006 直通接头 JOINT
26 380700274 回油阀块 OVERFLOW VALVE
27 805000656 螺栓 M8X65 BLOT M8X65
28 860101055 垫圈 8 WASHER
29
803173414
直通接头
JOINT
30
803190850
胶管总成
HOSE ASS’Y
31
803172014
直角组合接头
RIGHT ANGLE UNION JOINT
32
803192109
油口堵塞
PLUG
33
380901084
吸油过渡块
OIL SUCTION TRANSITION BLOCK
34
803192119
O 形密封圈 56×3.55
O SEAL RING
35
805100290
螺钉 M10X60
SCREW
36
805300014
垫圈 10
WASHER 10
37
803191081
直通法兰组合接头 STRAIGHT ADVANCING FLANGE
UNION JOINT
38
803191799
胶管总成
HOSE ASS’Y
39
803191082
直通法兰组合接头 STRAIGHT ADVANCING FLANGE
UNION JOINT
40
803191797
胶管总成
HOSE ASS’Y
41
803191181
胶管总成
HOSE ASS’Y
42
803191817
胶管总成
HOSE ASS’Y
42 803191817 胶管总成 HOSE ASS’Y